Simulation meets reality
Test virtually. Decide with confidence.
Digital precision and physical know-how: Our multi-physical simulations provide clear answers to complex questions - quickly, soundly and closely linked to the real test.

Physics that thinks ahead
Virtual development at the highest level
Using 1D simulation, CFD multiphysics and FEM, we simulate the behavior of your systems under realistic conditions - from thermal energy flow and electrical reaction to mechanical stress or fluid-dynamic interaction. Our models shorten development times, reduce testing costs and create transparency in early phases. In this way, we digitally ensure functionality, performance and safety - reliably, reproducibly and scalably.
What sets us apart
Fast & reliable results
From the component to the complete system
Seamless connection of simulation & test
Everything from a single source

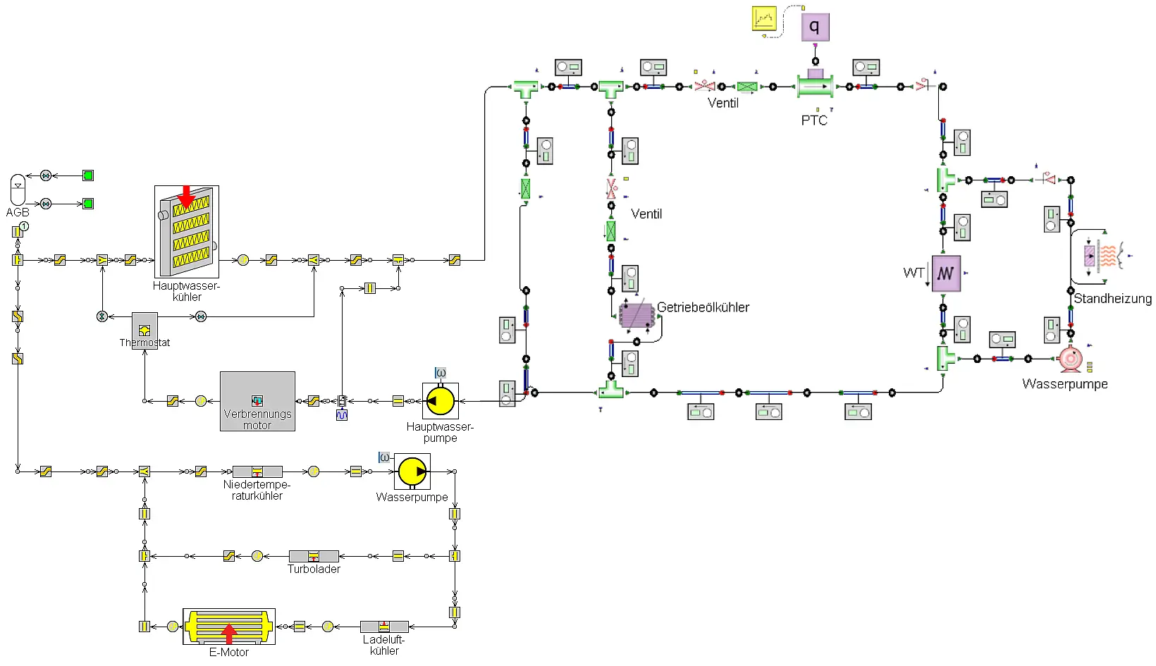
1D simulation
Thermal, electrical, control technology - fast, efficient and realistic
We use 1D simulation to analyze physical systems with minimal computing effort - ideal for cooling circuits, wiring systems and controlled systems. Our models can be used flexibly, can be combined and enable variant comparisons and system optimizations as early as the concept phase.
Read moreCFD multiphysics
Flow, heat, particles, structure - all in one model
Our CFD models precisely reproduce flow-relevant processes - including heat transfer, phase transformation and particle behavior. Coupled multiphysics approaches also allow fluid-structure interactions and electrothermal effects to be investigated realistically. This produces reliable results for thermal management, air flow and filtration processes.
Read more

FEM simulation
Understanding, optimizing and securing mechanical loads in accordance with standards
We use the finite element method (FEM) to calculate stresses, deformations and vibrations under static and dynamic loads. Strength, service life and thermal effects are realistically evaluated in order to optimally design and improve your components - from the concept phase through to operational stability.
Read moreCasting process simulation
Understanding casting processes, optimizing components in a targeted manner
With FLOW-3D Cast, we simulate mold filling, solidification and porosity - for efficient, safe and reproducible casting processes. Our analyses provide valuable insights into castability, material distribution and process stability, enabling early optimization of component geometries and tool designs - before the first shot is fired.
Read more
Our simulation environment
Powerful tools for precise, flexible models
Depending on the task at hand, we rely on specialized software platforms to ensure the best model quality with maximum efficiency:
StarCCM+ for coupled CFD, thermal and particle analysesOpenFOAM for flexible, open-source flow simulationsCOMSOLMultiphysics for electrothermal, multiphysical and structural-mechanical couplingsFLOW-3DCast for precise and meaningful mold filling and solidification simulations Die casting / permanent mold casting / semi-solids
Our experts select the optimum tool for your requirements - methodologically reliable, tried-and-tested and expandable at any time.
Innovative development for future-proof drive systems. We combine technical know-how with practical implementation.
Virtual tests for precise and efficient solutions. This is how we optimize systems already in the early development phase.
Comprehensive testing procedures for maximum safety and performance. We test under real conditions for reliable results.


