Rethinking air conditioning systems
Ensure comfort. Increase efficiency.
Whether summer heat or winter cold - air conditioning is a key factor for driving comfort, energy efficiency and range. PTS-Prüftechnik combines simulation, test bench and vehicle to create a holistic development and validation concept that evaluates systems reliably and practically.

From the simulation to the vehicle
Tailor-made solutions for every climate zone
Increasing demands on comfort, energy efficiency and alternative drives require optimized air conditioning systems. PTS-Prüftechnik provides you with comprehensive support: from simulation and test bench testing to validation in the vehicle. We flexibly align our processes to your requirements and realistically map individual boundary conditions. This results in air conditioning systems that prove themselves in every climate zone - efficient, comfortable and future-proof.
Our services at a glance
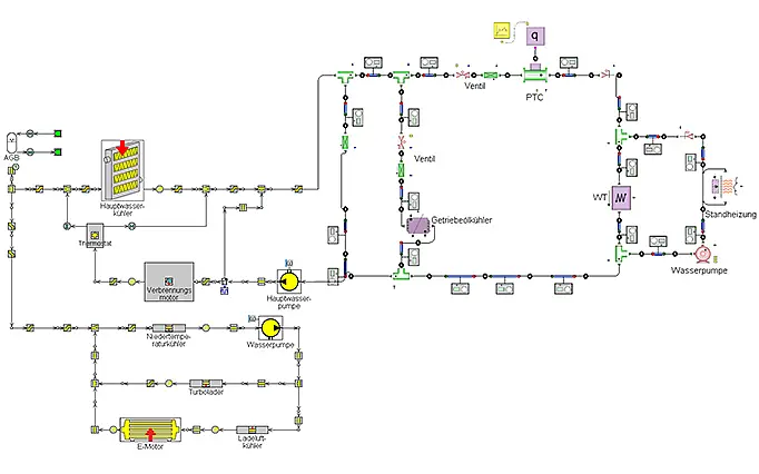
Digital mapping and evaluation of air conditioning systems - from refrigerant circuit simulation to indoor comfort analysis.
- 1D simulation for design and efficiency evaluation
- 3D indoor simulation for air distribution and comfort analysis
- Virtual comfort strategy tests & HVAC function analyses

Precise validation of air conditioning components and overall systems - with realistic load profiles and performance measurements.
- HVAC system comparisons and analysis of operating limits
- Validation of individual components such as compressors, heat pumps, evaporators and condensers
- Development of specific control strategies
- Investigation of transitional behavior and load changes
Measurements with alternative refrigerants

Comfort evaluation and series validation under real conditions - for reproducible results and reliable data.
- Application and testing of HVAC components
- Evaluation of thermal comfort in road tests and climatic test chambers
- Validation of system behavior with different climate profiles
- Heat-up/cool-down tests under real conditions
Advantages
Simulation, test bench, vehicle
Flexible test setups
Customized solutions
Everything from a single source
Air conditioning as part of thermal management
Comfort and efficiency in the overall system
Intelligent climate control is more than just a comfortable temperature - it is a key factor for range, energy efficiency and driving comfort. In combination with cooling circuits, we develop and validate holistic thermal management solutions that perfectly combine comfort and efficiency - from the digital concept to road testing.
Explore the full Thermal Management portfolioInnovative development for future-proof drive systems. We combine technical know-how with practical implementation.
Virtual tests for precise and efficient solutions. This is how we optimize systems already in the early development phase.
Comprehensive testing procedures for maximum safety and performance. We test under real conditions for reliable results.




