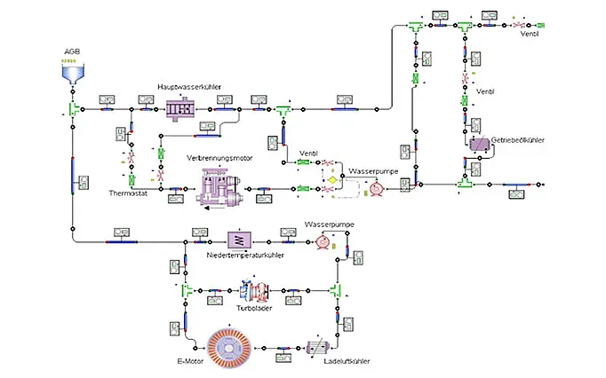
Cooling circuit development from a single source
Thermally safe. Efficiently designed.
Modern drive concepts, downsizing and electrification place high demands on cooling circuits. We develop and validate systems that ensure thermal stability, minimize energy losses and ensure maximum service life - from the initial idea to series release.

From the digital model to the practical test
Holistic development for every drive concept
PTS-Prüftechnik combines simulation, test bench testing and vehicle testing to create an end-to-end development process. We focus on your technical framework conditions and project goals - and adapt our tests to your drive strategies: flexibly, practically and in partnership. This saves you time and gives you reliable results - precisely tailored to your requirements.
Our services at a glance
Digital pre-development of thermal systems with validated models - for early optimization, variant comparisons and concept validation.
- 1D modeling for circuit design and variant comparison
- 3D CFD simulation for filling, flow and temperature analysis
- Validation of the simulation models on the basis of real test bench measurements
- Digital variant comparisons for concept validation

Testing of complete cooling circuits and individual components under realistic conditions - transparent, reproducible, accurate in detail.
- Investigation, diagnosis and optimization of the entire circuit
- Optimization of pressure ratios, integration as well as filling and venting processes
- Optimization of individual components such as battery cooling, valves, pumps and their coordination with the overall circuit
- Design and validation of cooling circuits with alternative cooling media
- Parallel testing of test specimens with variable temperature and pressure profiles in continuous operation

Validation in the test vehicle - including diagnosis of reaction behavior and system reserves.
- Application and validation of cooling strategies
- Heat-up/cool-down tests in the climate channel and on test sites
- Evaluation of system behavior according to OEM specifications
- Testing and optimization of alternative cooling strategies such as heat pump applications
- Integration and application of measurement technology and diagnosis of measurement data
- Evaluation of error and replacement reactions under real operating conditions
Advantages
Simulation, test bench, vehicle
Flexible test setups
Customized solutions
Everything from a single source
Cooling circuits as part of thermal management
Systems that ensure efficiency and stability.
Efficient heat dissipation is just one part of our thermal management service portfolio. We develop, test and optimize complete cooling and air conditioning systems - from digital concepts to road tests.
Explore the full Thermal Management portfolioInnovative development for future-proof drive systems. We combine technical know-how with practical implementation.
Virtual tests for precise and efficient solutions. This is how we optimize systems already in the early development phase.
Comprehensive testing procedures for maximum safety and performance. We test under real conditions for reliable results.




